- Dangl Beton - Unsere Produkte

DANGL-Trinkwasserreserven DTR

zur hygienischen Speicherung von Eigenwasser

Die Qualität des Trinkwasser hat entscheidenden Einfluss auf die menschliche Gesundheit. Um eine saubere Speicherung und Weiterleitung häuslichen Eigenwassers zu ermöglichen, haben wir unter Einsatz von lebensmittelgerechten Ausstattungen die optimale Lösung für den privaten Gebrauch zusammengestellt. Erhältlich in einer Grundausstattung zur bauseitigen Ausstattung, und als werkseitig vormontierte Anlage mit kompletter Technik zur Wasserversorgung.




DTR Grundausstattung:

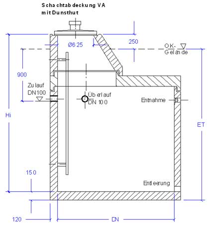
Stahlbetonbehälter in C35/45 n. EN206 und DIN 4281
mit Abdeckplatte und Konus analog DIN EN1917 (0,25 m Überhöhung gegen Gelände)
Edelstahl-Schachtabdeckung DN600
Einstiegsleiter
Anschlüsse
Zulauf KG DN100, Überlauf KG DN100, Entnahme PE DN 40, Bodenablauf DN100 zur Restentleerung, Kabeldurchführung DN50
Typ Volumen
(brutto)
[m³]
DN
[mm]
Höhe
licht
[mm]
Einbautiefe
[mm]
Zulauftiefe
[mm]
Boden-
Ablauftiefe
[mm]
schwerstes
Teil
[t]
DTR 3 3,1 1500 2650 2550 900 2400 3,6
DTR 4 4,0 1500 3150 3050 900 2900 4,3
DTR 5 5,7 2000 2700 2600 900 2450 5,1
DTR 7 7,2 2000 3200 3100 900 2950 6,1
DTR 9 8,8 2500 2700 2600 900 2450 6,7
DTR 10 10,0 2500 2950 2850 900 2700 7,3
DTR 12 12,5 2500 3450 3350 900 3200 8,5








Schachtabdeckung aus Edelstahl V2A / V4A


Schachtabdeckung - tagwasserdicht:
Edelstahlausführung
Deckel: Mit innenliegender Verstrebung, 2 mm Blechstärke, außenliegenden Scharnieren, Gasdruckfeder, selbsteinfallender Feststelleinrichtung und Schließeinrichtung.
Rahmen: Zylinder mit umlaufender Dichtung, mit Bohrungen zum Andübeln. Die Dichtung ist frost- und witterungsbeständig sowie insektensicher.

Größen:
  -  rund DN600, DN800, DN1000, DN1200 mm
   - quadratisch 600x600, 800x800, 1000x1000, 1200x1200 mm, jeweils begehbar

Ausstattungsvarianten:
   - Geschlossen (Standard)
   - Mit Entlüftung
   - Geschlossen mit Isolierung
   - Mit Entlüftung und Isolierung

Zubehör/Aufpreise:
   - Schloss zum Abschließen, Bedienschlüssel
   - Material 1.4571 (V4A)
   - Überflutungssicher
   - Befahrbar






Sonderanstrich

für MONOLITH-Behälter, lebensmittelecht, beständig gegen den Säureangriff durch weiches Wasser, erhöht die Lebensdauer des Schachtes beträchtlich.



Edelstahl- oder Kunststoffleitern



Zurück zum Seitenanfang